| Скоро в продаже! | Регуляторы мощности PR2000 (10A) и PR3000 (15A) |
 | Фазовый регулятор мощности: PR1500S (1500 Вт)
Технические характеристики:
Номинальное напряжение сети: 220 В; Частота сети: 50 Гц; Максимальная мощность нагрузки: 1500 Вт; Действующее значение тока анода: 7 А при 80С, 2 А при 100С; Диапазон регулировки мощности: от 0 до 97%; Амплитуда напряжения в открытом состоянии: 1,75 при 8 А; Угол проводимости за половину цикла: 0 …150 град.; Рабочая температура корпуса: -40..+100 град С; Вес не более: 15 г. |
| Фазовый регулятор PR1500S позволяет изменять мощность в диапазоне от 0 до 97% от номинального значения мощности нагрузки. Регулятор предназначен для применения в бытовых электроприборах и осуществляет плавное фазовое регулирование напряжения в цепи нагрузки с номинальной мощностью до 1500 Вт.
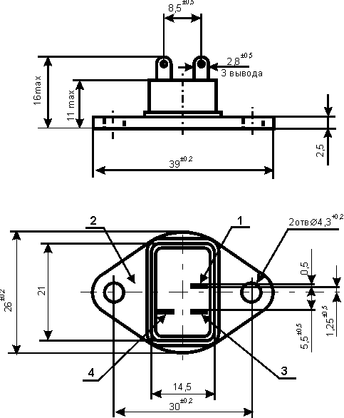
Особенность регулятора - сохранение фазового угла при колебаниях сетевого напряжения, плавное регулирование при малых углах проводимости. Габаритные и установочные размеры регулятора PR1500S
|  |
С помощью регулятора можно плавно менять:
* частоту вращения коллекторного электродвигателя переменного тока (электроинструмент, пылесосы, электромиксеры, кухонные комбайны и т.п.);
* яркость осветительных ламп накаливания
* мощность в электронагревательных приборах (обогревателях жилых помещений, теплиц, инкубаторов, электропаяльниках, и т.п.) .
Примеры подключения регулятора PR1500S:
|  a) Для резистивной нагрузки
 б)Для активно-идуктвной нагрузки (электродвигатель) |
Рекомендации по применению:
Не превышайте максимально допустимую температуру изделия. Регулятор мощности рекомендуется устанавливать на теплоотводящий радиатор. Между корпусом регулятора и радиатором необходимо применять теплопроводящую пасту или теплопроводящие прокладки. При работе на нагрузку 1500 Вт регулятор необходимо установить на радиаторе с эффективной площадью 150 см.Рекомендуемый интервал значений сопротивления резистора R1=150-200кОм, рассеиваемая мощность 0,25Вт. При значении R1= 250кОм обеспечивается нулевое значение мощности в нагрузке, при этом резисторы R2 и R3 можно исключить из схемы. При работе на индуктивную нагрузку между силовыми электродами регулятора рекомендуется включить RC-цепь ( 0,1мкф, 100 Ом ). Снижение уровня радиопомех должно предусматриваться выбором соответствующего LC - фильтра.Не допускайте работу регулятора на ЁМКОСТНУЮ нагрузку! Защита от поражения электрическим током должна предусматриваться конструкцией бытового прибора .
|
|